

|
Electrical Spec. |
Options | ||
|
Rating voltage |
380VAC |
Flanfe for set up |
|
|
Rating current |
5A ,10A,15A…… |
Can combine signal and power in same slip ring |
|
|
Insulation resistance |
1000M@500VDC |
Can combine more circuits:1-100Ring |
|
|
Dielectric strength |
600VDC@50Hz |
higher voltage and current capacity |
|
|
Electrical noise |
70mΩ @6VDC,50mA, 5Rpm |
various radial exits are available |
|
|
Mechanical Spec |
Environment |
||
|
Speed |
1-10000Rpm |
Working temperature |
-40℃~+80℃ |
|
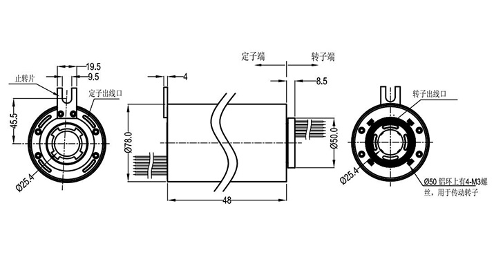
Through bore |
25.4mm(3-100mm for optional) |
Mechanical vibration |
MIL-SID-810E |
|
Torque |
40N.cm |
Relative humidity |
60% |
|
Seal class |
IP54 (IP68Options) |
Materials |
Lead Free,RoHS compliant |
|
Contact material |
Precious Metal |
CE Certified |
YES |
|
Lead Wire |
12color Teflon wire |
|
|
|
Life |
50million revolutions |
|
|

|
¤ Feature ?Compact miniature design , small size fit for harsh space ?Moudel design ; Meet the most of requirement ?Specify design for high speed , long life ?Available for high speed date , sensor , communication
|
|
|
¤ Typical Application ?Aerospace and Navigation
?Electrical test equipment
?Defence test
|
|
nstallation Guide:
|
|
|
CAUTION: Because of possible geometric mismatching between the customer's application and the slip ring,'hard mouting'of both ends of the slip ring(i.e.securing the rotor and stator such that there is no floating during operation) is not recommended and may cause premature failure. |
|
