

|
Electrical Spec. |
Options | |||
|
Circuit |
24 |
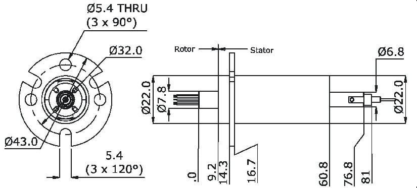
Flange for set up |
||
|
Rating voltage |
240VAC |
The wire exit direction,length is optional |
||
|
Rating current |
2A /Ring, 5A,10A by parrelled |
Higher voltage and current capacity |
||
|
Insulation resistance |
1000M@500VDC |
Support for higher speed: 500Rpm |
||
|
Dielectric strength |
600VDC@50Hz |
|
||
|
Electrical noise |
70mΩ@ 6VDC ,50mA 5Rpm |
|
||
|
Mechanical Spec |
Environment |
|||
|
Speed |
300Rpm |
Working temperature |
-40℃~+80℃ |
|
|
Torque |
0.01N.M |
Mechanical vibration |
MIL-SID-810E |
|
|
Seal class |
IP54 |
Humidity |
10% to 90% RH non-condensing |
|
|
Contact material |
Precious Metal:Gold-Gold |
Materials |
Lead Free,RoHS compliant |
|
|
Lead Wire |
12color AWG#28 Teflon wire |
CE Certified |
YES |
|
|
Life |
100million revolutions |
|
|
|
|
|
||||
|
Specification for FORJ |
||||
|
Wavelength range |
650-1650 nm |
|||
|
Insertion loss |
<2dB (typical: <0.5 dB) |
|||
|
Return loss |
>40dB (typical:45 dB,2323 C), >50 dB (MJXA) |
|||
|
Maximum speed. |
2000 rpm |
|||
|
Pressure compensation |
1,000 psi (model RPC for higher pressure) |
|||
|
Pulling strength |
10 N (900 um buffer) |
|||
|
Estimated life cycle |
200-400 million revolutions |
|||
|
Optical power handlin |
23 dBm |
|||
|
Working temperature |
-40 to 80 C |
|||
|
Storage temperature |
-50 to 85 C |
|||
|
Start up torque |
<0.1 Nm |
|||
|
Package style |
Pigtail or receptacles (FC, FC/APC, or ST) |
|||
|
Fiber types |
Single or multimode w/3 mm jacke |
|||
|
Connector types |
FC, SC, ST, SMA, or LC (and APC finishes) |
|||
|
Housing material |
Stainless steel |
|||
|
Weight |
~50 g |
|||
|
IP rating |
IP 68 for all models |
|||

?Fiber brush tecnology provides maintenance free operation(no cleaning or lubrication required)
?Compact miniature design,small size fit for harsh space
?Moudle design;Meet the most of requirement
?Combine slip ring and FORJ
?Can combine signal and power in same slip ring
|
|
|
¤ Typical application ?HP CCTV Monitoring System ?Electrical test equipment ?Medical equipment ?Robotics
|
Installation Guide:
Picture A
1.Position the slip ring in the desired location and tighten both set screws to the shaft.Maximum torque 25Ib-in(DO NOT OVER TORQUE)
2.Route the wiring and make the neccessary connections.Do not allow the wiring to restrict free rotation of the slip ring.Do not constrain wiring such that wire flexing occurs.Doing so will ultimately cause failure(breakage of the wiring).
Picture B
1.Align the mouting holes(M3X8)in the flange to mouting base and install mouting screws(M3),securely tighten screws.
2.Route the wiring and make neccessary connections.Do not allow the wiring to restrict free rotation of the slip ring.
CAUTION:
Because of possible geometric mismatching between the customer's application and the slip ring,'hard mouting'of both ends of the slip ring(i.e.securing the rotor and stator such that there is no floating during operation) is not recommended and may cause premature failure.

