

|
Electrical Spec. |
Options | ||
|
Sircuit |
24 |
Flange for set up |
|
|
Rating voltage |
380VAC |
The wire exit direction,length is optional |
|
|
Rating current |
2A /Ring,5A,10A by parrelled |
Additional connector and the heat shrinkable tube |
|
|
Insulation resistance |
1000M@500VDC |
Higher voltage and current capacity |
|
|
Dielectric strength |
600VDC@50Hz |
Support for higher speed: 500Rpm |
|
|
Electrical noise |
10mΩ@6VDC,50mA, 5Rpm |
|
|
|
Mechanical Spec |
Environment |
||
|
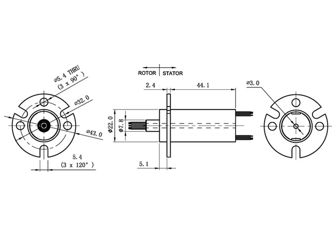
Through bore |
3mm |
Working temperature |
-40℃~+80℃ |
|
Speed |
300Rpm |
Mechanical vibration |
MIL-SID-810E |
|
Torque |
0.01N.M |
Humidity |
10% to 90% RH non-condensing |
|
Seal class |
IP54 |
Materials |
Lead Free,RoHS compliant |
|
Contact material |
Precious Metal:Gold-Gold |
CE Certified |
YES |
|
Lead Wire |
12color AWG#28 Teflon wire |
|
|
|
Life |
00million revolutions |
|
|
?Compact minature design , small size fit for harsh space
?Moudel design ; Meet the most of requirement
?Combine slip ring and FORJ
?Can combine signal and power in smae slip ring
?Meet the requirement of industrial field
|
|
|
¤ Typical Application ?Small laboratory
?Electtrical equipment
?Medical equipment
?Robotics
|
|
Installation Guide:
|
![]()
|
|
Because of possible geometric mismatching between the customer's application and the slip ring,'hard mouting'of both ends of the slip ring(i.e.securing the rotor and stator such that there is no floating during operation) is not recommended and may cause premature failure. |
|

